KING K8300 / K8400 / K8500 플로어힌지 설치 방법 및 안전 포인트 완전 정리
MunJobs
0
494
04.08 22:37
KING K8300 / K8400 / K8500 플로어힌지 설치 방법 및 안전 포인트 완전 정리
1. 제품 소개
KING(킹) 플로어힌지는 ASSA ABLOY 그룹의 프리미엄 유압식 플로어힌지로, 국내 강화 유리문과 대형 강화도어 현장에서 가장 많이 사용되는 제품입니다. 부드러운 개폐감, 정밀한 속도 조절, 뛰어난 내구성을 자랑하며 장기 사용 시에도 안정적인 성능을 유지합니다.
- 주요 적용처: 상업시설, 병원, 학교, 어린이집, 사무실 등 고사용 빈도 출입문
- 특징: 논스톱형·양쪽 정지형·한쪽 정지형 옵션 제공, 방수형 모델 포함
2. 주요 모델 및 규격
| 모델 | 적용 문 크기 | 특징 |
|---|---|---|
| K8300 | 950×2100 mm | 가장 많이 사용되는 기본형 |
| K8400 | 1050×2400 mm | 중형 문 전용 |
| K8500 | 1200×2400 mm | 대형 문 전용 |
3. 설치 매뉴얼 핵심 해설 (KING 공식 매뉴얼 기반)
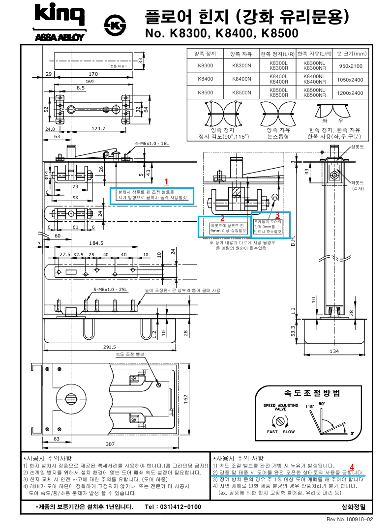
아래 이미지는 KING 공식 설치 매뉴얼을 기반으로 실제 현장에서 가장 중요한 설치 포인트를 파란색 네모로 강조한 자료입니다.
가장 중요한 설치 포인트
- 상롯트핀 조절 볼트 설치 시 상롯트핀 조절 볼트를 시계 방향으로 끝까지 돌려 조입니다. 끝까지 조였다고 생각될 때 살짝 문을 흔들면서 다시 한 번 조여, 완전히 체결되었는지 확인해야 합니다.
- 하롯트(상롯트) 삽입 깊이 하롯트(H바 상롯트 또는 가네모 힌지 부분)에 상롯트핀을 최소 9mm 이상 삽입해야 합니다. 9mm 미만으로 설치하면 장기 사용 중 H바 상롯트가 마모되기 쉽고, 상부 유격이 과다해져 문 이탈 사고의 주요 원인이 됩니다. 특히 대형 유리문에서 위험도가 높습니다.
- 프레임과 도어 간격 프레임과 도어 사이 간격을 3mm로 정확히 유지해야 합니다. 이 간격은 제조사가 문 이탈 사고를 방지하기 위해 설정한 엄격한 규격입니다.
- 강풍·태풍 시 주의사항 강풍이나 태풍이 예상될 때는 도어를 완전히 열어 놓은 상태로 사용하지 마십시오. 바람에 문이 꺾이거나 파손, 이탈되는 사고가 실제로 발생할 수 있습니다.
기타 필수 체크사항
- 하부 플로어힌지와 상부 피봇의 완전한 수직 정렬
- 속도 조절 밸브(FAST / SLOW)를 사용 환경에 맞게 미세 조정
- 모든 체결 볼트는 규격 토크로 정확하게 조임
4. 안전 체크 포인트 (실전 점검 시 필수)
플로어힌지를 설치하거나 점검할 때 반드시 확인해야 할 보이지 않는 위험 항목입니다.
- 상롯트핀 조절 나사가 풀렸는지 확인
- 상부 유격 — 장기 사용 후 3~5mm를 초과하지 않는지
- 유압 성능 — 문이 너무 빠르게 닫히거나 바닥에 걸리는 증상 여부
- 유리 스침 — 유리가 프레임이나 기둥에 스치거나 걸리는지
위 항목 중 하나라도 이상이 있다면 문 이탈, 손끼임, 유리 파손 사고 위험이 급격히 증가합니다.
이 사진처럼 H바 상롯트가 마모되면 강화도어 상부 이탈 사고의 직접적인 원인이 됩니다. 상롯트핀을 최소 9mm 이상 충분히 삽입하지 않거나, 주기적으로 구리스를 도포하지 않으면 마모가 빠르게 진행되어 상부 유격이 과다해지고 문 이탈 위험이 크게 증가합니다.
5. 참고 자료
- KING 공식 설치 매뉴얼 전체 PDF 다운로드 → KING 공식 사이트 바로가기
▶ 본 콘텐츠는 KING 공식 매뉴얼을 기반으로 실제 시공 경험과 안전 기준을 반영하여 작성되었습니다
▶ “본 콘텐츠 하단의 참고 사진은 알지 서비의 자료를 인용.”

